brass non return valve
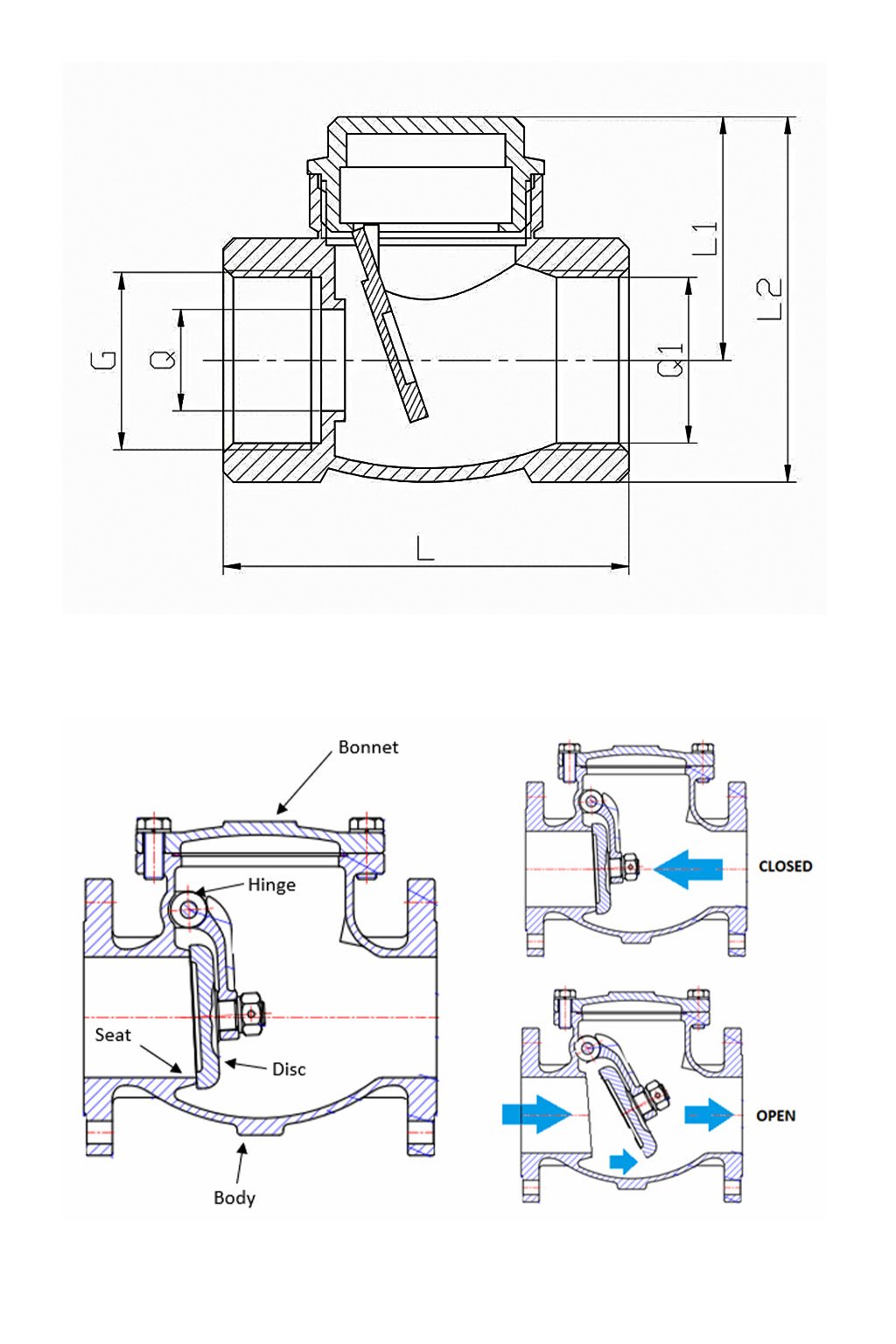
Non-Return Valve (NRV)
A non-return valve allows the medium to flow in only one direction and ensures proper flow through the pipe. It is used where pressure conditions may otherwise cause reversed flow.
Features
- Forged brass body
- EPDM seal
- Swing type mechanism
- Manufactured from low-lead brass (CW 617N) — safe for drinking water
- Highly corrosion-resistant, even with hard water contact
Material Specification
| Name of Part | Material | Quantity |
|---|---|---|
| Cap | Brass CW614N | 1 |
| Packing | EPDM | 1 |
| Disc | Brass CW614N | 1 |
| Body | Forged Brass CW614N | 1 |
| Bolt | Brass CW614N | 1 |
| Pin | Brass CW614N | 1 |
Size Specification
Size: ½” (15 mm), ¾” (20 mm), 1” (25 mm), 1 ¼” (32 mm), 1 ½” (40 mm), 2” (50 mm)

Quick Enquiry Form
Your email address will not be published. Required fields are marked *